
設計原理:
|
技術參數 |
|
|
符合標準:GJB151B-2013& MIL-STD-461E-1999 |
|
|
測試電壓Vmax |
500VDC |
|
250V 50/60Hz |
|
|
135V 400Hz |
|
|
測試電流Imax |
50A |
|
瞬時最大電流 |
75A |
|
測試端子 |
N型 |
|
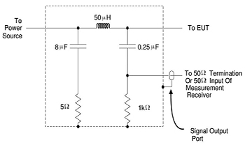
電感 |
50uH |
|
耦合電容 |
0.25uF |
|
阻抗頻率范圍 |
9KHz-30MHz |
|
通用參數 |
|
|
機箱尺寸* |
360mm*160mm*160mm (長*寬*深) |
|
儀器重量* |
約4KG |
|
環境溫度 |
15-35℃ |
|
環境濕度 |
45% - 75% |
|
氣壓范圍 |
86kPa – 106kPa |
|
隨機標配 |
|
主機1臺、說明書、檢測報告 |
全國免費服務熱線
4006-0512-77