
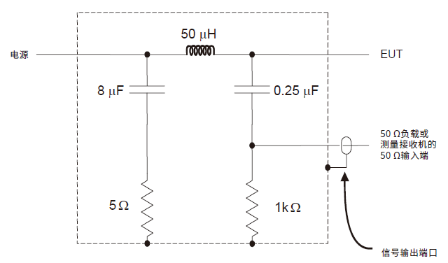
原理圖

|
技術參數 |
|
|
測試電壓Vmax |
線電壓10.5K V , 50 Hz DC 10.5KV |
|
測試電流Imax |
3150A |
|
測試端子 |
N |
|
電感 |
50 μH |
|
阻抗 |
50 μH+5 Ω‖50 Ω |
|
耦合電容 |
0.25 μF |
|
阻抗頻率范圍 |
9 kHz-10 MHz |
|
通用參數 |
|
|
供電電壓 |
AC 110 V/220 V(士10%),50 Hz /60Hz(士5%)(大陸地區內默認AC 220 V 50 Hz) |
|
外形尺寸 |
1010 mm*1300 mm*2170 mm(長*寬*深) |
|
環境溫度 |
15℃ ~ 35℃ |
|
相對濕度 |
45% ~ 75% |
|
重量 |
576kg |
可搭配LISN ML 3000HVS-Fixture校準:
|
選配器件 |
|
1、衰減器 DTS 2000-30dB-1G-D
|
|
2、射頻開關LISN ML 3000HVS-SW
|
|
3、衰減器 TS5G-20 dB-4N/N、TS5G-10 dB -4N/N
|
|
4、阻抗校準夾具 LISN ML 3000HVS-Fixture
|
|
5、脈沖限幅器 KH43101
|
注:N型端口接衰減器電源導通瞬間會被擊穿,但不會損壞,需注意電源保護。
|
隨機標配 |
|
測試線、短接端子、說明書, 接地線,旋鈕,校準報告。 |
全國免費服務熱線
4006-0512-77