
LISN ML 100S人工電源網絡用于GJB 151B 及MIL-STD-461電源傳導發射測試中隔離電源干擾并為受試設備(EUT)提供規定的電源阻抗,其阻抗特性完全滿足標準要求。使用時,只需將EUT 連接到OUTPUT 輸出端,電源連接到INPUT 輸入端。EMI 測量端口采用標準N 型接口。
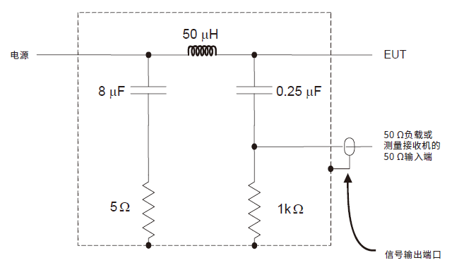
原理圖:
可搭配LISN ML 100S-KIT校準:
|
技術參數 |
|
|
測試電壓Vmax |
500V DC, 300V AC 50 Hz ~ 800Hz |
|
測試電流Imax |
100A |
|
測試端子 |
N |
|
電感 |
50μH |
|
阻抗 |
50μH+5Ω‖50Ω |
|
耦合電容 |
0.25μF |
|
阻抗頻率范圍 |
9kHz-30MHz |
|
通用參數 |
|
|
供電電壓 |
AC 110 V/220 V(士10%),50 Hz /60Hz(士5%)(大陸地區內默認AC 220 V 50 Hz) |
|
外形尺寸 |
460 mm*340 mm*760 mm (長*寬*高) |
|
環境溫度 |
15℃ ~ 35℃ |
|
相對濕度 |
45% ~ 75% |
|
重量 |
41kg |
|
附件 |
|
電源線、保險絲、校準報告、說明書 |
4006-0512-77