

|
技術參數 |
|
|
測試電壓Vmax |
600 VDC, 530 V 400 Hz, 270 V 890 Hz |
|
測試電流Imax |
50 A |
|
瞬時最大電流 |
100 A |
|
同軸端子 |
BNC型 |
|
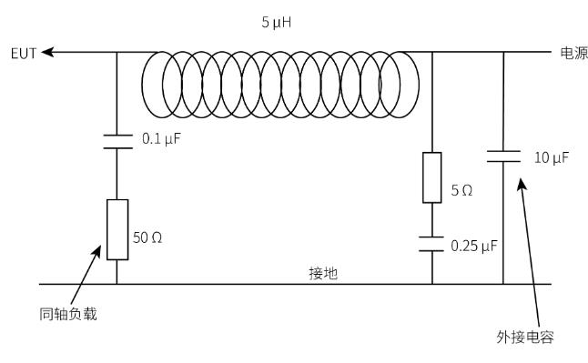
電感 |
5 μH |
|
耦合電容 |
0.1 μF |
|
阻抗頻率范圍 |
0.01 MHz ~ 400 MHz |
|
通用參數 |
|
|
機箱尺寸 |
220 mm*220 mm*257mm(寬*高*深) |
|
儀器重量 |
約5 kg |
|
環境溫度 |
15℃ ~35℃ |
|
相對濕度 |
45% ~75% |
|
大氣壓力 |
86 kPa ~ 106 kPa |
|
附件 |
|
說明書、LISN AR 50耦合校準電容 |
|
選購件 |
|
LISN AR 50阻抗校準夾具 |
全國免費服務熱線
4006-0512-77