
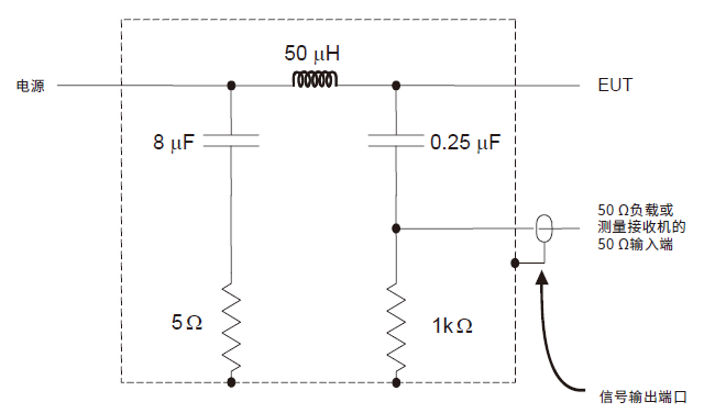
LISN ML500HVS人工電源網絡用于GJB 151B 及MIL-STD-461電源傳導發射測試中隔離電源干擾并為受試設備(EUT)提供規定的電源阻抗,其阻抗特性完全滿足標準要求。使用時,只需將EUT 連接到OUTPUT 輸出端,電源連接到INPUT 輸入端。EMI 測量端口采用標準N 型接口。

|
技術參數 |
|
|
測試電壓Vmax |
1000 V DC, 380 V 50 Hz/60Hz |
|
測試電流Imax |
500 A |
|
測試端子 |
N |
|
電感 |
50 μH |
|
阻抗 |
50 μH+5 Ω‖50 Ω |
|
耦合電容 |
0.25 μF |
|
阻抗頻率范圍 |
9 kHz-30 MHz |
|
通用參數 |
|
|
供電電壓 |
AC 110 V/220 V(士10%),50 Hz /60Hz(士5%)(大陸地區內默認AC 220 V 50 Hz) |
|
外形尺寸 |
310 mm*310 mm*870 mm (長*寬*高) |
|
環境溫度 |
15℃ ~ 35℃ |
|
相對濕度 |
45% ~ 75% |
|
重量 |
55 kg |
|
附件 |
|
校準治具,說明書, 接地端子,旋鈕 |
全國免費服務熱線
4006-0512-77