
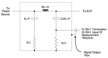
人工電源網絡LISN J200完全滿足標準GJB151B-2013和MIL-STD-461E-1999中要求的零部件與電源隔離,測量車輛、船舶和內燃機的干擾特性。阻抗完全滿足標準規定。EUT連接到面板的OUTPUT輸出端,電源端口連接到面板INPUT輸入端。EMI測量端口為標準N型接口。

|
通用參數 |
|
|
機箱尺寸* |
310mm*310mm*600mm(長*寬*深) |
|
儀器重量* |
約30KG |
|
環境溫度 |
15-35℃ |
|
環境濕度 |
45% - 75% |
|
氣壓范圍 |
86kPa – 106kPa |
|
技術參數 |
|
|
符合標準:GJB151B-2013& MIL-STD-461E-1999 |
|
|
測試電壓Vmax |
500VDC, 270V 50/60Hz,135V 400Hz |
|
測試電流Imax |
200A |
|
瞬時最大電流 |
300A |
|
電感溫升(ΔT) |
約80℃(200A 2h) |
|
測試端子 |
N型 |
|
電感 |
50uH |
|
耦合電容 |
0.25uF |
|
阻抗頻率范圍 |
9KHz-30MHz |
|
隨機標配 |
|
主機1臺、說明書、檢測報告 |
全國免費服務熱線
4006-0512-77