999热视频-999热在线精品观看全部-999热在线视频-999视频网-999在线视频精品免费播放观看-999这里只有是极品

首頁|產品中心
English
新品發布:人工電源網絡 LISN ML 3000HVS
作者:  日期:2023-06-25  瀏覽次數:627次  來源:
分享到:

產品介紹

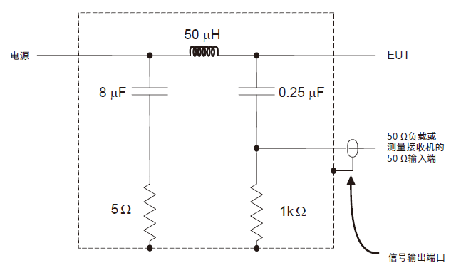
       LISN ML 3000HVS人工電源網絡用于GJB 151B 及GJB 151A軍用設備和分系統電磁發射和敏感度測量并為受試設備(EUT)提供規定的電源阻抗,其阻抗特性完全滿足標準要求。使用時,只需將EUT 連接到OUTPUT 輸出端,電源連接到INPUT 輸入端。EMI 測量端口采用標準N 型接口。


原理圖


 


更多產品信息請訪問:人工電源網絡 LISN ML 3000HVS




上一篇:新品發布:靜電放電發生器 EDS 20H...
下一篇:新品發布:耦合去耦網絡 CDNE M2M...
·【直播預告】低空飛行器EMC測...
·守護穩定測試,3CTEST祝您...
·《國產信息通信儀表與測試應用》...
----------------------------
·探討電磁干擾的危害與電磁兼容技...
·IEC61000-4-5:20...
·新能源汽車線束布置方案及EMC...
----------------------------
·新品發布:交直流跌落開關 PF...
·新品發布:高壓大功率組合式耦合...
·新品發布:傳導抗擾測試儀 CS...
----------------------------
·泰思特2025年展會/研討會一...
·泰思特2018年展會信息一覽表...
·泰思特2017年展會信息一覽表...
----------------------------